- En stock
- En cours d’approvisionnement
- Rupture de stock, nous contacter
Filtre :
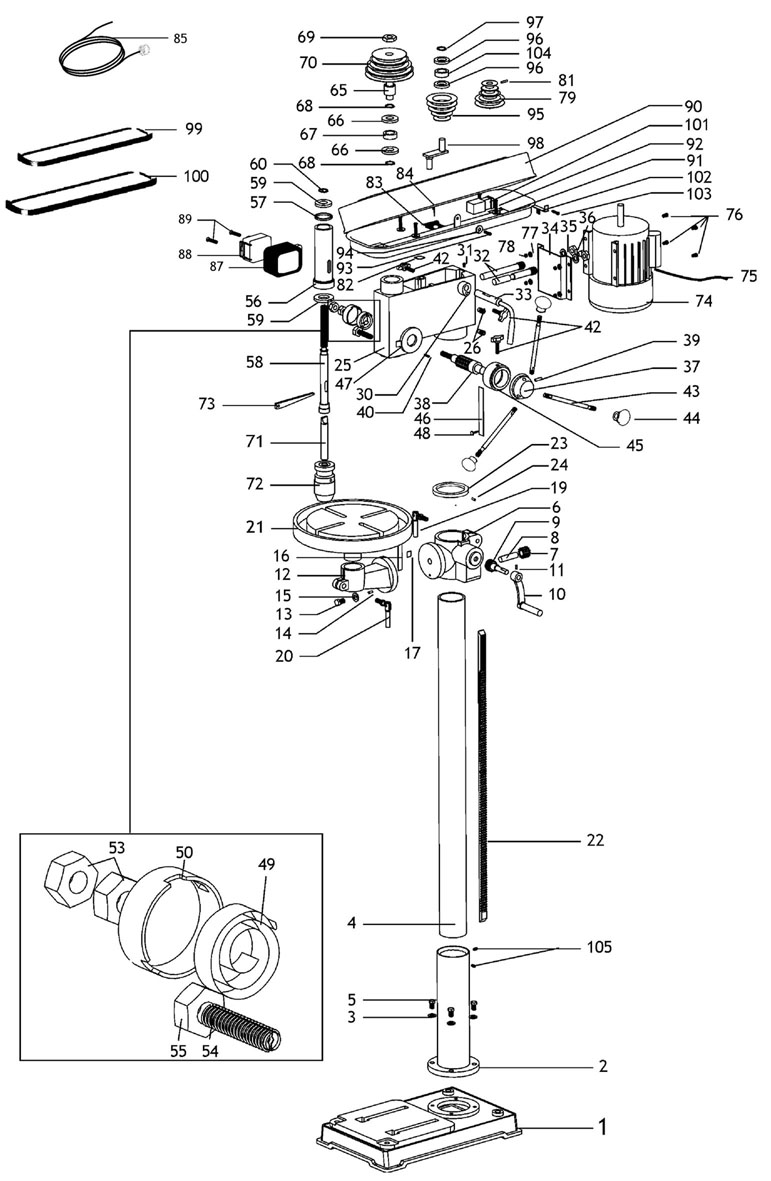
Vue éclatée en cours : 01
|
|
N° | Code produit | Désignation | Statut | De série | Qté / Machine | Prix unitaire TTC | |
|---|---|---|---|---|---|---|---|---|
| Pièces détachées | ||||||||
![]() |
20599348 | ECRAN BASCULANT POUR PERCEUSE 13A-22A/FE/FC NX MODELE 2002
Présent sur outils : |
1 | 65.64 € |
–+ Ajouter
|
|||
![]() |
20599385 | JEUX DE 2 CONDENSATEURS 20µF + 75µF
Présent sur outils : |
1 | 23.64 € |
–+ Ajouter
|
|||
![]() |
001 | 20599375 | BASE REP.1 POUR PERCEUSE 22BE OU 22BC
Présent sur outils : |
1 | 98.88 € |
–+ Ajouter
|
||
| 002 | 20599374 | BASE DE COLONNE POUR PERCEUSE 22BC - REP.2
Présent sur outils : |
1 | 86.28 € | Nous Contacter ! | |||
| 004 | 20599473 | COLONNE DE PERCEUSE 22 BC (DIAM.72 MM.)
Présent sur outils : |
1 | 187.68 € |
–+ Ajouter
|
|||
![]() |
006+007+008+012+013+014+015+016 | 20599389 | SUPPORT DE TABLE COMPLET POUR PERC.22BE/BC - REP.6A8 + 12A16
Présent sur outils : |
1 | 90.6 € |
–+ Ajouter
|
||
| 009 | 20599343 | VIS SANS FIN REP 9 P/COLLIER
Présent sur outils : |
1 | 51.96 € |
–+ Ajouter
|
|||
![]() |
010+011 | 20599447 | MANIVELLE DE DESCENTE DE TABLE REP 10+11 22A-FE-FC-NM-BE-BC
Présent sur outils : |
1 | 13.36 € |
–+ Ajouter
|
||
| 019 | 20599376 | POIGNEE DE BLOCAGE SUPPORT DE TABLE
Présent sur outils : |
1 | 6.04 € |
–+ Ajouter
|
|||
| 020 | 20599377 | POIGNEE DE BLOCAGE DE TABLE P/ PERC.13A/22A/BE/BC - REP.20
Présent sur outils : |
1 | 5.53 € |
–+ Ajouter
|
|||
| 021 | 20599470 | TABLE POUR PERCEUSE 22BE/BC
Présent sur outils : |
1 | 59.28 € |
–+ Ajouter
|
|||
![]() |
022 | 20599423 | CREMAILLERE REP.22 P/PERCEUSE 22FC/22BC
Présent sur outils : |
1 | 39.48 € |
–+ Ajouter
|
||
![]() |
023+024 | 20597421 | ANNEAU DE CREMAILLERE
Présent sur outils : |
1 | 5.92 € |
–+ Ajouter
|
||
| 030+031 | 20599399 | CAME AVEC VIS REP.30+31 POUR PERC.NX MOD.22A/FE/FC OU BE/BC
Présent sur outils : |
1 | 17.76 € |
–+ Ajouter
|
|||
| 037+038 | 20599380 | AXE DE CABESTAN POUR PERCEUSE 22BE/BC - REP.37+38
Présent sur outils : |
1 | 63 € |
–+ Ajouter
|
|||
| 042+045 | 20599391 | COLLIER AXE DE CABESTAN POUR PERCEUSE 22BE/BC - REP.45+42
Présent sur outils : |
1 | 27.36 € |
–+ Ajouter
|
|||
![]() |
043+044 | 20599392 | JEU DE 3 BRAS DE DESCENTE DE BROCHE P/PERC.22BE/BC-REP43+44
Présent sur outils : |
1 | 11.82 € |
–+ Ajouter
|
||
![]() |
049+050 | 20599425 | RESSORT DE RAPPEL DE BROCHE P/ 22A-FE-FC-BE-BC NX REP.49 A 50
Présent sur outils : |
1 | 19.92 € |
–+ Ajouter
|
||
| 054+055 | 20599396 | VIS DE REGLAGE DE BROCHE POUR PERCEUSE 22BE/BC/FE/FC 22A
Présent sur outils : |
1 | 1.55 € |
–+ Ajouter
|
|||
![]() |
056+057+058+059+060 | 20599378 | FOURREAU+BROCHE POUR 22A/FE/FC 22BE/BC REP. 56+58 A 60
Présent sur outils : |
1 | 110.52 € | Nous Contacter ! | ||
![]() |
058 | 20599424 | BROCHE SEULE REP.58 P/PERCEUSE 22A/FE/FC NX MODELE (>01-2002)
Présent sur outils : |
1 | 40.2 € |
–+ Ajouter
|
||
![]() |
065+066+067+068 | 20599933 | QUEUE DE POULIE PERCEUSE 22BE
Présent sur outils : |
1 | 15.84 € |
–+ Ajouter
|
||
| 069 | 20599867 | ECROU QUEUE DE POULIE 22FE/FC
Présent sur outils : |
1 | 8.87 € |
–+ Ajouter
|
|||
| 070 | 20599381 | POULIE COTE BROCHE P/PERCEUSE 22BE/BC - REP.70
Présent sur outils : |
1 | 35.88 € |
–+ Ajouter
|
|||
![]() |
074 | 20599379 | MOTEUR DE PERCEUSE 22BE/BC REP.74
Présent sur outils : |
1 | 284.16 € |
–+ Ajouter
|
||
| 074 | 20599428 | CAPOT DE VENTILATEUR MOTEUR POUR PERCEUSE 22BE/BC
Présent sur outils : |
1 | 28.32 € |
–+ Ajouter
|
|||
| 079 | 20599382 | POULIE MOTEUR POUR PERCEUSE 22BE/BC - REP.79
Présent sur outils : |
1 | 29.52 € |
–+ Ajouter
|
|||
![]() |
087+088 | 20599169 | INTER.KJD12+ARRET URGENCE POUR PERC.13B/MINI13A/13A/22BE/22BC
Présent sur outils : |
1 | 71.16 € |
–+ Ajouter
|
||
| 090 | 20599383 | CAPOT POULIE POUR PERCEUSE 22BE/BC - REP.90
Présent sur outils : |
1 | 63 € |
–+ Ajouter
|
|||
| 095 | 20599395 | POULIE CENTALE AVEC AXE POUR PERCEUSE 22BE/BC - REP.95
Présent sur outils : |
1 | 43.2 € |
–+ Ajouter
|
|||
![]() |
099+100 | 20599384 | JEU DE COURROIES P/PERCEUSE 22BE/BC (560+625)
Présent sur outils : |
1 | 33.96 € |
–+ Ajouter
|
||
| 100 | 20597490 | COURROIE COTE BROCHE REP 100 Z23 LI575 LP597 /22BE-BC
Présent sur outils : |
1 | 85.44 € |
–+ Ajouter
|
|||
![]() |
101+102+103 | 20599422 | CONTACTEUR MONO P/CAPOT POULIE PERCEUSE NX MODELE (>12-2001)
Présent sur outils : |
1 | 85.08 € | Nous Contacter ! | ||
| Aucune Pièce détachée sur cette vue | ||||||||
| Accessoires | ||||||||
![]() |
20598002 | ETAU E 100 (SANS JEU DE BRIDES)
Présent sur outils : |
1 | 75.24 € |
–+ Ajouter
|
|||
![]() |
20598041 | JEU DE BRIDES T16
Présent sur outils : |
1 | 42.72 € |
–+ Ajouter
|
|||
| 20598062 | SYSTEME ARROSAGE MONOPHASE
Présent sur outils : |
1 | 437.88 € | Nous Contacter ! | ||||
| 071 | 20598026 | QUEUE DE MANDRIN CM2 - B18
Présent sur outils : |
1 | 26.28 € |
–+ Ajouter
|
|||
![]() |
072 | 20598036 | MANDRIN AUTOSERRANT DE 1 A 16 MM B18
Présent sur outils : |
1 | 174.84 € |
–+ Ajouter
|
||
| 073 | 20598039 | CHASSE CÔNE 1/2 MANUEL
Présent sur outils : |
1 | 14.4 € |
–+ Ajouter
|
|||
| Aucun Accessoire sur cette vue | ||||||||
| Consommables | ||||||||
| Aucun consommable sur cette vue | ||||||||
Produit ajouté au panier
Besoin d’aide ?
Contactez notre service client
au 02 54 74 02 16
Disponible du lundi au vendredi
de 8h à 12h et 13h30 à 17h30
Livraison et frais de transport
Livraison de 24h à 72h
À domicile ou en relais colis
(Frais de port gratuits à partir de 250,00 € HT / 300,00 € TTC)
Paiement et sécurité
CB sécurisé en ligne
avec le Crédit Mutuel
Service clients
Suivi de commande
Satisfait ou remboursé


















