- En stock
- En cours d’approvisionnement
- Rupture de stock, nous contacter
Filtre :
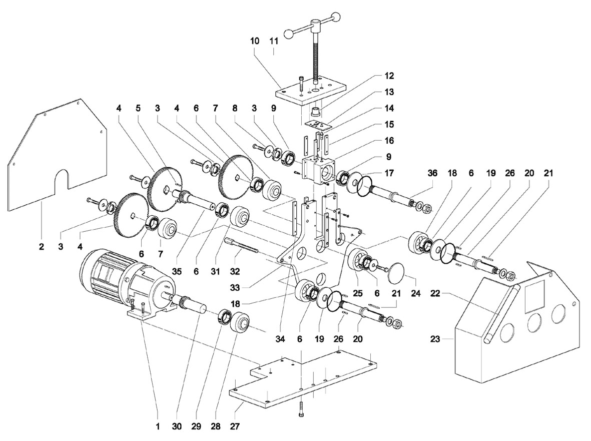
Vue éclatée en cours : 01
|
|
N° | Code produit | Désignation | Statut | De série | Qté / Machine | Prix unitaire TTC | |
|---|---|---|---|---|---|---|---|---|
| Pièces détachées | ||||||||
![]() |
20790102 | CABLE PEDALE AVEC PRISE
Présent sur outils : |
1 | 312.12 € |
–+ Ajouter
|
|||
| 20799011 | COMMUTATEUR DE VITESSE COMPLET POUR CINTREUSE E.60
Présent sur outils : |
1 | 274.8 € | Nous Contacter ! | ||||
![]() |
20799012 | ECROU FIXATION GALET ARBRE MOTEUR POUR CINTREUSE E60M/1
Présent sur outils : |
3 | 75.24 € |
–+ Ajouter
|
|||
| Aucune Pièce détachée sur cette vue | ||||||||
| Accessoires | ||||||||
| 20799014 | ENTRETOISE 10.5MM
Présent sur outils : |
1 | 92.16 € | Nous Contacter ! | ||||
| 20799015 | GALET D’APPUI G0/G2
Présent sur outils : |
1 | 331.92 € | Nous Contacter ! | ||||
| 20799016 | GALET AVANT G4/G6
Présent sur outils : |
1 | 405.72 € | Nous Contacter ! | ||||
| 20799019 | ENTRETOISE 8.5MM
Présent sur outils : |
1 | 92.16 € | Nous Contacter ! | ||||
| Aucun Accessoire sur cette vue | ||||||||
| Consommables | ||||||||
| Aucun consommable sur cette vue | ||||||||
Produit ajouté au panier
Besoin d’aide ?
Contactez notre service client
au 02 54 74 02 16
Disponible du lundi au vendredi
de 8h à 12h et 13h30 à 17h30
Livraison et frais de transport
Livraison de 24h à 72h
À domicile ou en relais colis
(Frais de port gratuits à partir de 250,00 € HT / 300,00 € TTC)
Paiement et sécurité
CB sécurisé en ligne
avec le Crédit Mutuel
Service clients
Suivi de commande
Satisfait ou remboursé

