- En stock
- En cours d’approvisionnement
- Rupture de stock, nous contacter
Filtre :
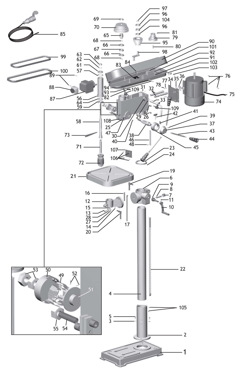
Vue éclatée en cours : 01
|
|
N° | Code produit | Désignation | Statut | De série | Qté / Machine | Prix unitaire TTC | |
|---|---|---|---|---|---|---|---|---|
| Pièces détachées | ||||||||
![]() |
20599717 | ECRAN BASCULANT P/PERC.30/40FC (ANC.OU NX MOD) DIA.INT.90 MM.
Présent sur outils : |
1 | 131.64 € |
–+ Ajouter
|
|||
| 001 | 20599785 | BASE REP.1 POUR PERCEUSE 30 OU 40FC (NOUVEAU MODELE 2002)
Présent sur outils : |
1 | 218.88 € |
–+ Ajouter
|
|||
| 001+002+003+004+005+006+007+008+009+010+011+012+013+014+015+016+017+018+019 | 20599824 | TABLE ETAU REVERSIBLE / 30FCTE ET 40 FCTE
Présent sur outils : |
1 | 766.92 € |
–+ Ajouter
|
|||
| 002+004 | 20599789 | COLONNE REP.2+4 P/PERCEUSE 30- 40 FC NOUVEAU MODELE >01-2002
Présent sur outils : |
1 | 282.6 € |
–+ Ajouter
|
|||
| 006 | 20599980 | COLLIER POUR TABLE ETAU
Présent sur outils : |
1 | 90 € |
–+ Ajouter
|
|||
| 022 | 20599795 | CREMAILLERE REP.22 P/PERCEUSE 30 OU 40FC MODELE 2002
Présent sur outils : |
1 | 48.72 € |
–+ Ajouter
|
|||
![]() |
023+024 | 20599792 | ANNEAU DE CREMAILLERE+VIS REP. 23+24 P/PERC.30-40FC -MOD.2002
Présent sur outils : |
1 | 21.84 € | Nous Contacter ! | ||
![]() |
032 | 20599799 | JEU DE 2 TIGES TENSION DE COURROIES REP.32 P/PERC.30FC
Présent sur outils : |
1 | 16.96 € |
–+ Ajouter
|
||
| 033 | 20599800 | POIGNEE DE TENSION REP.33 POUR PERCEUSE 30FC NX MODELE 2002
Présent sur outils : |
1 | 21.84 € |
–+ Ajouter
|
|||
| 034 | 20599462 | PLAQUE SUPPORT MOTEUR REP.34 P /PERC.22A/FE/FC 30/40FC NX MOD
Présent sur outils : |
1 | 19.92 € |
–+ Ajouter
|
|||
| 037+038+045 | 20599798 | CABESTAN+ARBRE PIGNON REP37A42 +45-46-48 P30/40FC MODELE 2002
Présent sur outils : |
1 | 110.88 € | Nous Contacter ! | |||
![]() |
043+044 | 20599788 | JEU DE 3 BRAS DE DESCENTE REP. .43+44 P/PERC.30/40 FC MX MOD.
Présent sur outils : |
1 | 33 € |
–+ Ajouter
|
||
![]() |
046+048 | 20599823 | REGLET POUR 30FC REP46-48
Présent sur outils : |
1 | 14.76 € | Nous Contacter ! | ||
![]() |
049+050 | 20599793 | RESSORT DE RAPPEL+BOITIER REP. 49+50 P/PERC.30-40FC -MOD.2002
Présent sur outils : |
1 | 26.64 € |
–+ Ajouter
|
||
| 056+057+058+059+060+061+062+063+064 | 20599794 | FOURREAU+BROCHE REP.56A59+61A 64 P/PERC/30FC -NX MODELE 2002
Présent sur outils : |
1 | 319.8 € |
–+ Ajouter
|
|||
| 065 | 20599854 | QUEUE DE POULIE REP.65 POUR PERCEUSE 40FC NX MODELE 2002
Présent sur outils : |
1 | 95.88 € |
–+ Ajouter
|
|||
| 066 | 20599870 | ROULEMENT 6207 2RS
Présent sur outils : |
2 | 6.17 € |
–+ Ajouter
|
|||
| 069 | 20599868 | ECROU QUEUE DE POULIE 40 FC
Présent sur outils : |
1 | 8.87 € |
–+ Ajouter
|
|||
| 074 | 20599780 | MOTEUR REP.74 POUR PERCEUSE 30FC -NOUVEAU MODELE > 01-2002
Présent sur outils : |
1 | 577.56 € |
–+ Ajouter
|
|||
![]() |
079+081 | 20599790 | POULIE MOTEUR REP.79+81 ACIER PERCEUSE 30/40FC MOD 2002-40BC
Présent sur outils : |
1 | 63 € | Nous Contacter ! | ||
![]() |
087+088 | 20599456 | INTER.TRI.COMPLET P/PERCEUSE 22FE,22FC,30FC,40FC N.M. 2002
Présent sur outils : |
1 | 207.12 € |
–+ Ajouter
|
||
| 090 | 20599850 | CAPOT POULIE REP.90 P/PERCEUSE 30 ET 40 FC (MODELE >01-2002)
Présent sur outils : |
1 | 173.16 € |
–+ Ajouter
|
|||
![]() |
095 | 20599804 | POULIE CENTRALE ACIER REP.95 PERCEUSE 30/40FC MOD 2005->
Présent sur outils : |
1 | 150 € |
–+ Ajouter
|
||
| 098 | 20599796 | SUPPORT DE POULIE CENTRALE REP .98 P/PERCEUSE 30/40FC NX MOD.
Présent sur outils : |
1 | 33.96 € |
–+ Ajouter
|
|||
![]() |
099/100 | 20599841 | COURROIE CRANTEE JA50-V V15x845
Présent sur outils : |
2 | 33.96 € |
–+ Ajouter
|
||
| 101+102+103 | 20599474 | CONTACTEUR TRI P/CAPOT POULIE DE PERCEUSE NX MODELE > 12/01
Présent sur outils : |
1 | 85.08 € |
–+ Ajouter
|
|||
![]() |
109 | 20599861 | POIGNEE DE BLOCAGE DE TENSION REP.109 POUR PERCEUSE 30/40FC
Présent sur outils : |
2 | 22.32 € |
–+ Ajouter
|
||
| 070 | 20599797 | POULIE COTE BROCHE REP.70 POUR PERCEUSE 30/40FC (MODELE 2002)
Présent sur outils : |
1 | 79.2 € |
–+ Ajouter
|
|||
| 070 | 20599820 | POULIE COTE BROCHE REP.70ACIER PERCEUSE 30/40F 2005->
Présent sur outils : |
1 | 79.2 € |
–+ Ajouter
|
|||
| Aucune Pièce détachée sur cette vue | ||||||||
| Accessoires | ||||||||
![]() |
20598012 | SYSTEME D'ECLAIRAGE 24V
Présent sur outils : |
1 | 235.2 € | Nous Contacter ! | |||
![]() |
20598023 | CÔNE DE REDUCTION DE CM3 A CM2
Présent sur outils : |
1 | 63.84 € |
–+ Ajouter
|
|||
![]() |
20598041 | JEU DE BRIDES T16
Présent sur outils : |
1 | 42.72 € |
–+ Ajouter
|
|||
![]() |
20598042 | CHASSE CONE 3/4 MANUEL
Présent sur outils : |
1 | 24.6 € |
–+ Ajouter
|
|||
| 20599411 | SYSTEME D'ARROSAGE MONOPHASE POUR PERCEUSE 22FE 22/30/40 FC
Présent sur outils : |
1 | 0 € | Nous Contacter ! | ||||
| 071 | 20598027 | QUEUE DE MANDRIN CM3 - B18
Présent sur outils : |
1 | 35.04 € |
–+ Ajouter
|
|||
![]() |
072 | 20598036 | MANDRIN AUTOSERRANT DE 1 A 16 MM B18
Présent sur outils : |
1 | 174.84 € |
–+ Ajouter
|
||
| Aucun Accessoire sur cette vue | ||||||||
| Consommables | ||||||||
| Aucun consommable sur cette vue | ||||||||
Produit ajouté au panier
Besoin d’aide ?
Contactez notre service client
au 02 54 74 02 16
Disponible du lundi au vendredi
de 8h à 12h et 13h30 à 17h30
Livraison et frais de transport
Livraison de 24h à 72h
À domicile ou en relais colis
(Frais de port gratuits à partir de 250,00 € HT / 300,00 € TTC)
Paiement et sécurité
CB sécurisé en ligne
avec le Crédit Mutuel
Service clients
Suivi de commande
Satisfait ou remboursé















